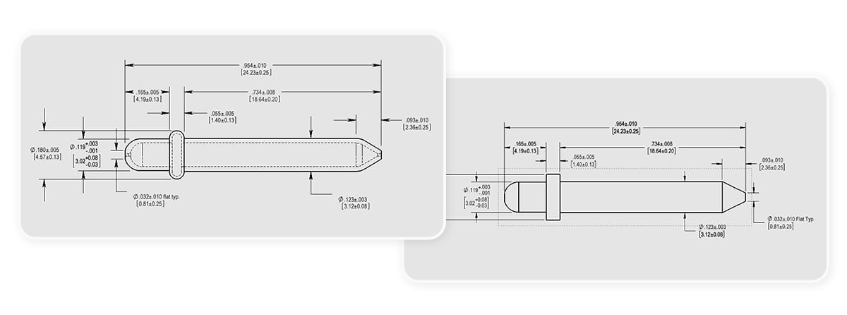
When a U.S. based injection molder needed a right-angle pin for insert molding that didn’t exist in any standard catalog, they faced a unique manufacturing hurdle.
Their client, a global leader in motion and control technologies, required a molded pump cap featuring a contact pin longer than anything currently available on the market.
Through precision tooling and engineering, Bead Electronics developed a custom solution.
Read More

